? Products-Rolling mill Straightening machine Leveling machine Xi'an Amctech Co.,Ltd
  • Hydraulic Fluid System

    Current Location: Home - Products - Hydraulic Fluid System

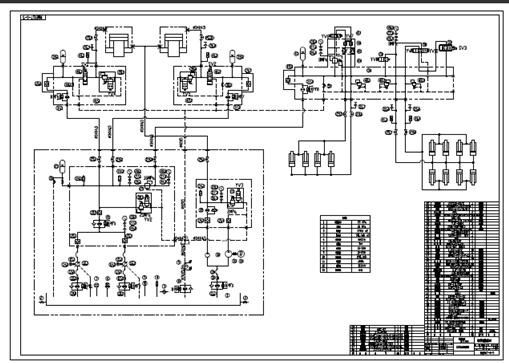
    Rolling Mill AGC Hydraulic System(High Pressure)

    1.    The schematic diagram of the AGC hydraulic system of rolling mill  


    AGC液壓.jpg  

     2.    Characteristics of system design

    AGC液壓高壓系統_裁剪.jpg

    ①、The oil tank and the hydraulic pipe are all made of stainless steel, and a separate circulating filter cooling device is set up, and the oil in the tank is circulated and cooled. In addition, the main oil way is equipped with high-precision filter. In order to prevent the pump station from entering the system into the control valve station, there are two high precision filters on the control valve station, which ensures the cleanliness of the system oil and improves the reliability of the system.

    ②、By using the chain control of the electromagnetic overflow valve and the pump, the empty start of the pump is realized, and the service life of the pump is improved.

    ③、The accumulator and constant pressure variable pump are used in the hydraulic system, which saves energy and reduces the heating of the system.

    ④、In order to protect the mechanical equipment and the hydraulic components, a complete overpressure protection link is set up in the systemc.

    ⑤、The system adopts the electro-hydraulic servo valve with high dynamic performance, which improves the response characteristic of the system.

    ⑥、The displacement sensor of the oil cylinder is built in the built-in type, which is the MTS product of the United States.

    ⑦、Servovalves using AMC series products.

    ⑧、Hydraulic components, such as solenoid valve, overflow valve, filter and so on, use high quality products in China.


    Last article:Hydraulic Drive System(Low Pressure) Next article:Period
    做你的爱人BD韩国完整版