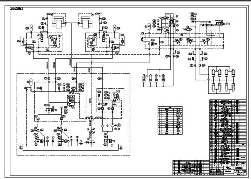
軋機AGC液壓高壓系統(高壓站)
AGC系統原理
|

①、油箱和液壓配管均采用不銹鋼材料,并設有獨立的循環過濾冷卻裝置,對油箱中的油液進行循環過濾冷卻。此外,主油路上還設有高精度過濾器,為防止泵站到控制閥站的管路臟物進入系統,在控制閥站上設有二次高精度過濾器,保證系統油液的清潔,提高了系統工作的可靠性;
②、采用電磁溢流閥與泵的連鎖控制,實現了泵的空載啟動,提高了泵的使用壽命;
③、液壓系統采用蓄能器與恒壓變量泵,節省了能源,減少了系統發熱;
④、為保護機械設備和液壓元器件,系統中設置了完備的超壓保護環節;
⑤、系統采用高動態性能的電液伺服閥,提高了系統的響應特性;
⑥、油缸的位移傳感器采用內置式,系美國MTS產品;
⑦、伺服閥使用AMC系列產品;
⑧、恒壓變量柱塞泵為國產邵陽系列產品;
⑨、壓力傳感器采用中美麥克產品;
⑩、電磁閥、溢流閥、過濾器等元器件均為華德、泰克國產優質產品。

中文版
English
官方微信














阿里巴巴店鋪