? 產品中心-軋機 矯直機 平整機 西安艾蒙希科技有限公司
  • 液壓流體系統

    當前位置: 首頁 - 產品中心 - 液壓流體系統

    設備稀油潤滑站

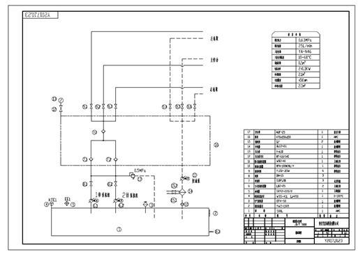
    1.    稀油潤滑系統原理圖

     

    稀油潤滑.JPG


    2.    稀油系統說明


    稀油系統服務于卷取機,主軋機減速箱及齒輪軸。


           

         

       


     


    上一篇:沒有了 下一篇:普通液壓傳動站
    ?
    做你的爱人BD韩国完整版