Oil Ubricating Station
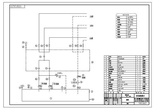
Oil lubrication system

2. Parameters of oil lubrication system
The oil lubrication system serves the reducer and the gear shaft.
?
Oil lubrication system

2. Parameters of oil lubrication system
The oil lubrication system serves the reducer and the gear shaft.
+86 29 88341056 +86 29 88341050
